ZEST AND BOLT - page 1019

ELECTRICAL
52
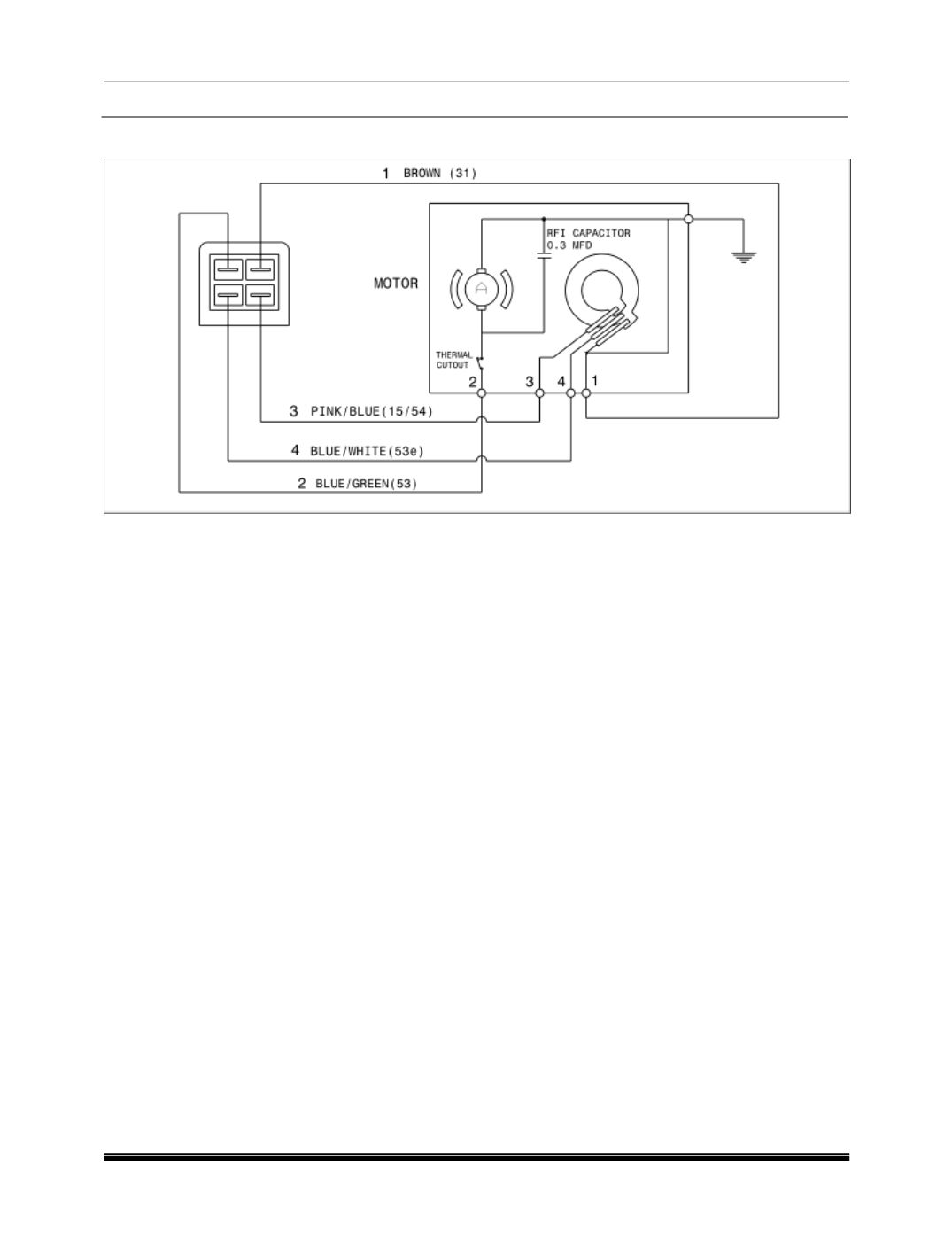
CIRCUIT DIAGRAM OF WIPER MOTOR
CONNECTION DETAILS
1. –VE supply to motor
2. Motor terminal
3. +VE supply parking switch
4. Parking switch
AMP
CONNECTOR HOUSING: HSG (110 SRS 4P)
TERMINAL: TER (110 SRS 4P TAB)
All cables are of 0.85 sq. mm cross section and as per jis-c-3406
1...,1009,1010,1011,1012,1013,1014,1015,1016,1017,1018 1020,1021,1022,1023,1024,1025,1026,1027,1028,1029,...
Powered by FlippingBook