ZEST AND BOLT - page 246

ENGINE 1.3 QUADRAJET (75PS)
21
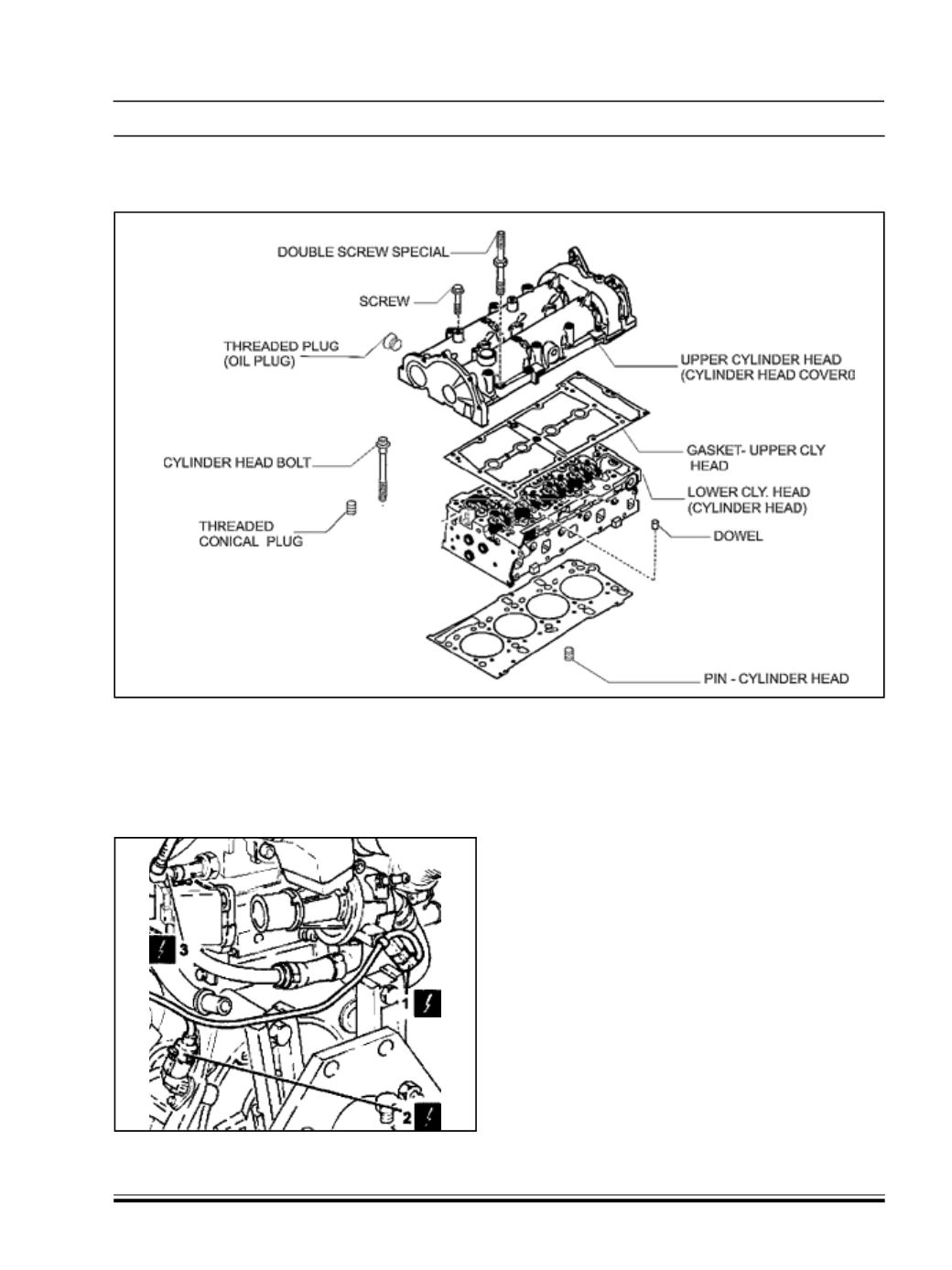
CYLINDER HEAD ASSEMBLY
3A.1.2.2.1 EXPLODED VIEW
3A.1.2.2.2 REMOVAL OF CYLINDER HEAD
ASSEMBLY AND OIL SUMP
1. Position the Engine on the Overhaul stand.
2.
Disconnect the following Electrical connections
.
a. Electrical connections of Engine coolant
temperature sensor / sending unit (1).
b. Electrical connections of RPM Sensor (2).
c. Electrical connections of Insuf ficient engine oil
sensor (3).
1...,236,237,238,239,240,241,242,243,244,245 247,248,249,250,251,252,253,254,255,256,...
Powered by FlippingBook