ZEST AND BOLT - page 124

Revotron 1.2T
77
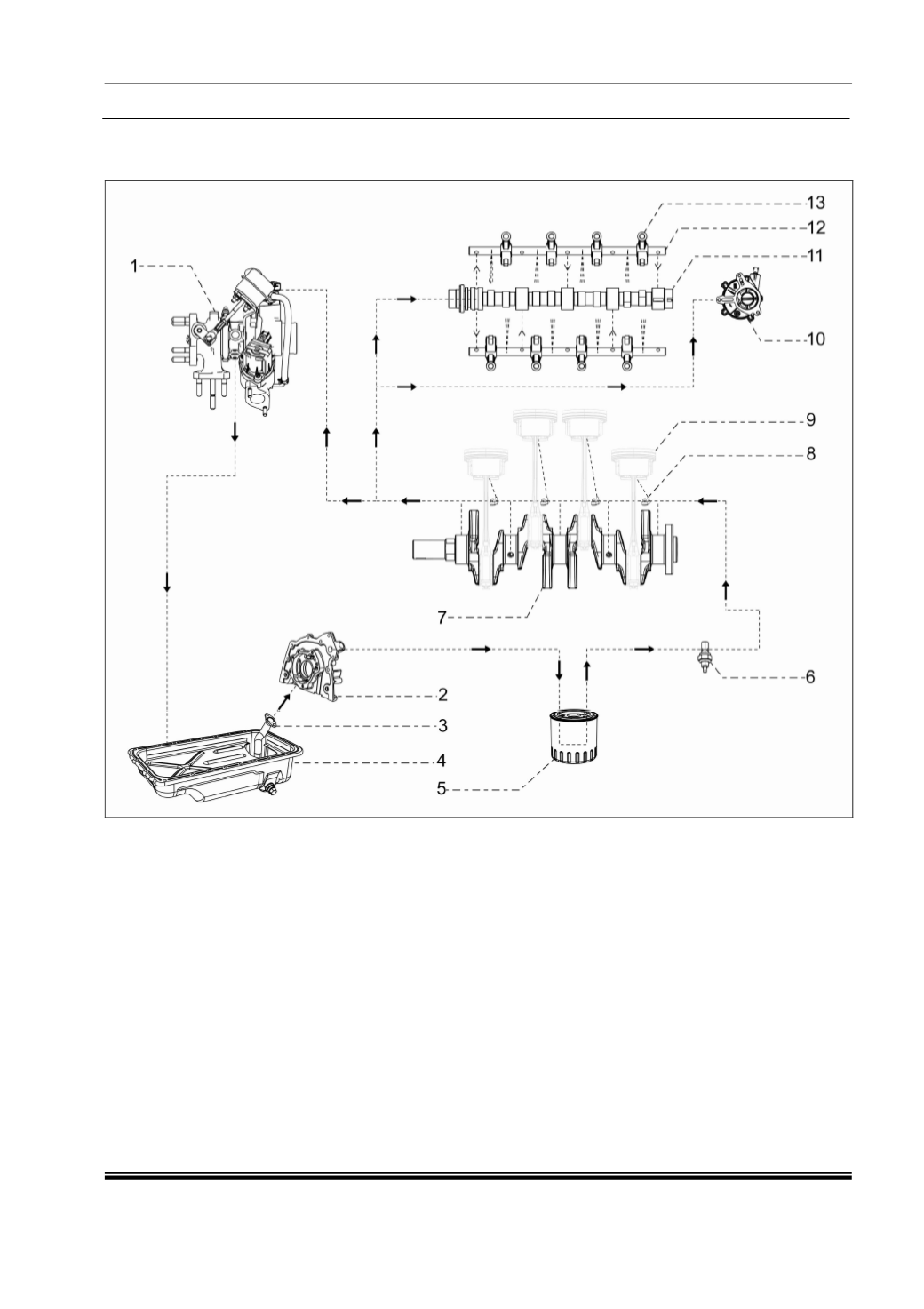
C. LUBRICATION SYSTEM :
Lubrication System Schematic Layout
:
1 Turbocharger
8 Piston Cooling Nozzle
2 Oil Pump
9 Piston-Connecting Rod Assy
3 Strainer
10 Vacuum Pump
4 Oil Sump
11 Camshaft
5 Oil Filter Assembly
12 Rocker Shaft
6 Oil Pressure Switch Sensor
13 Rocker Arm
7 Crankshaft
1...,114,115,116,117,118,119,120,121,122,123 125,126,127,128,129,130,131,132,133,134,...
Powered by FlippingBook