ZEST AND BOLT - page 1622-1623

Electrical
214
BOLT / ZEST
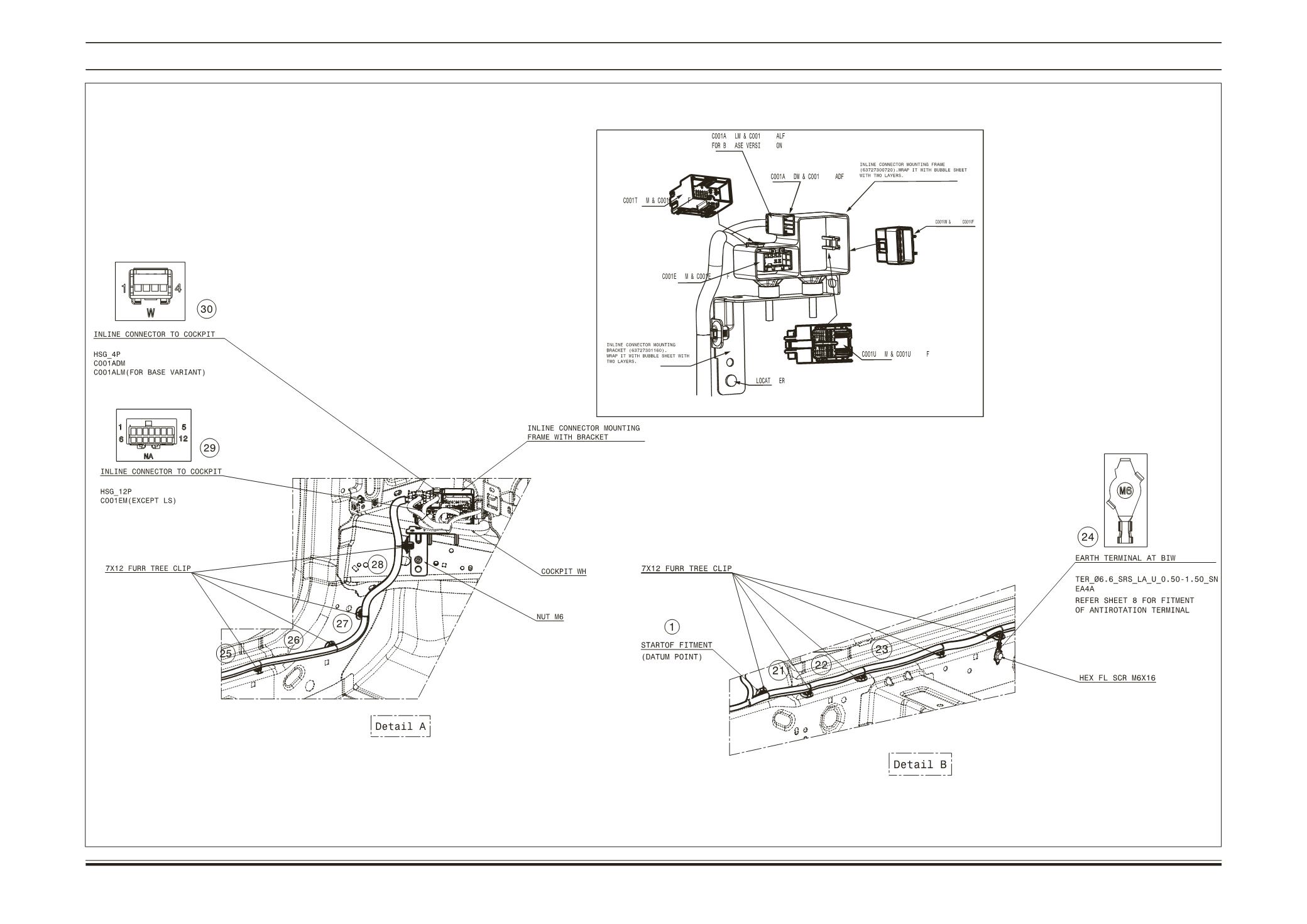
INFO FITMENT DRAWING FOR W/H FLOOR LH BOLT
1...,1602-1603,1604-1605,1606-1607,1608-1609,1610-1611,1612-1613,1614-1615,1616-1617,1618-1619,1620-1621 1624-1625,1626-1627,1628-1629,1630-1631,1632-1633,1634-1635,1636-1637,1638-1639,1640-1641,1642-1643,...
Powered by FlippingBook