1.2L REVOTRON ENGINE
2
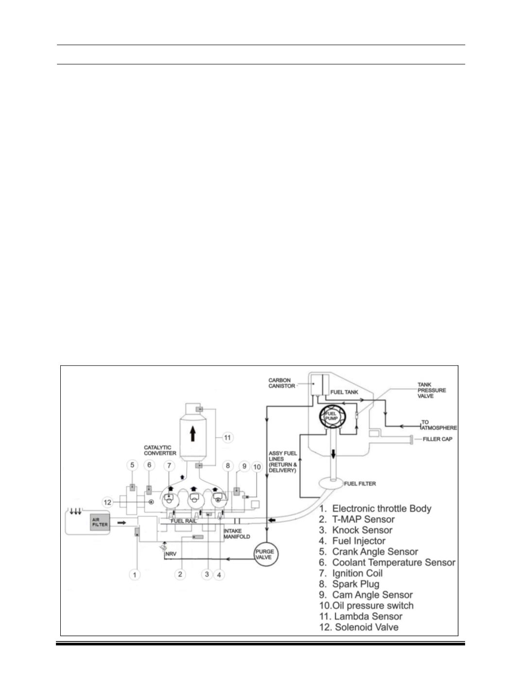
B. Electronic Control :
The engine management software in the
vehicle's Engine Control Unit (ECU) controls
the fuel injection and ignition system using a
variety of sensors that provides the engine
operating conditions and operates input
information.
The ECU includes self-diagnosis to help
pinpoint any system malfunctions. Refer to
the "Engine Management System" portion of
this section for additional information.
The MPFI type of fuel injection offers many
advantages over a single point fuel injection
system or a carburetor engine. The following
paragraphs describe the advantages of the
electronic fuel injected engine.
Improved Engine Performance :
The ECU precisely and instantly controls
optimum fuel delivery and spark timing
according to the operating conditions, inputs
from the engine sensors, and operator input.
This control improves vehicle response and
acceleration.
Increased Fuel Economy :
The electronic fuel injection system allows the
REVOTRON 110 engine to be Bharat Stage
lV (BS-lV) compliant.
By electronically controlling the air/fuel ratio of
the combustion process, the engine maintains
an air/fuel closer to stoichiometric (14.7:1, air
to fuel), the optimum ratio for complete
combustion of the fuel mixture.
Decreased Exhaust Emissions :
The use of electronic fuel injection also
decreases exhaust emissions because the
air/fuel ratio is precisely controlled through the
ECU for operating conditions and driver input.
The catalytic convertor also helps reduce
exhaust
emissions
and
specially
manufactured to the fuel injection system's
operation.
Improved Cold Starting and Operation :
By detecting the atmospheric and engine
conditions in which the operator is starting
and driving the vehicle, the ECU can adjust
fuel mixture and ignition timing to help the
vehicle start more easily when cold and to
warm up faster.
The MPFI ECU achieves all of these
advantages by instantly compensating for
changes in operating conditions and sensors
inputs. This compensation is faster and more
efficient than a mechanical system or human
input.




