Background Image
Table of Contents Table of Contents
Previous Page  414 / 1002 Next Page
Information
Show Menu
Previous Page 414 / 1002 Next Page
Page Background

DRIVETRAIN-TA65 Star

32

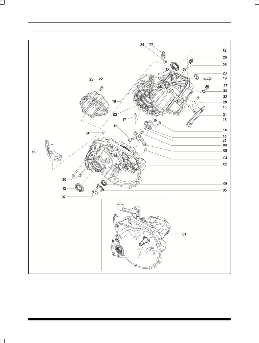
4.7. D. EXPLODED VIEW OF TRANSAXLE

: