BRAKES
9
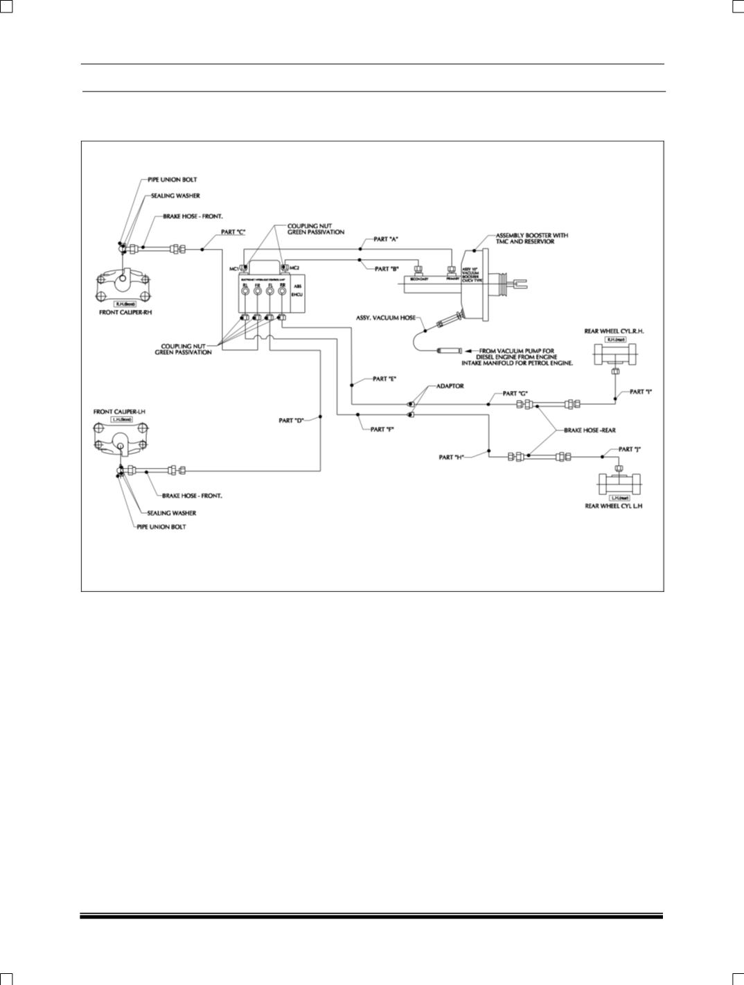
6.6. BRAKE HYDRAULIC LINES
SCHEMATIC CIRCUIT DIAGRAM OF ABS BRAKE LINE
General:
Vehicle braking is provided by Disc Brakes on the
front wheels and Drum Brakes on the rear wheels.
Under normal brake operation, brake pedal
movement is assisted by the Booster assembly
and transmitted to the Tandem Master Cylinder
(TMC) assembly. The TMC assembly converts
brake pedal movement to hydraulic pressure.
Vacuum for the brake servo assembly is obtained
from the engine inlet manifold (for petrol engines)
or a vacuum pump (for diesel models), through a
vacuum line and non-return valve.




