SUPPLEMENTARY RESTRAINT SYSTEM (SRS)
4
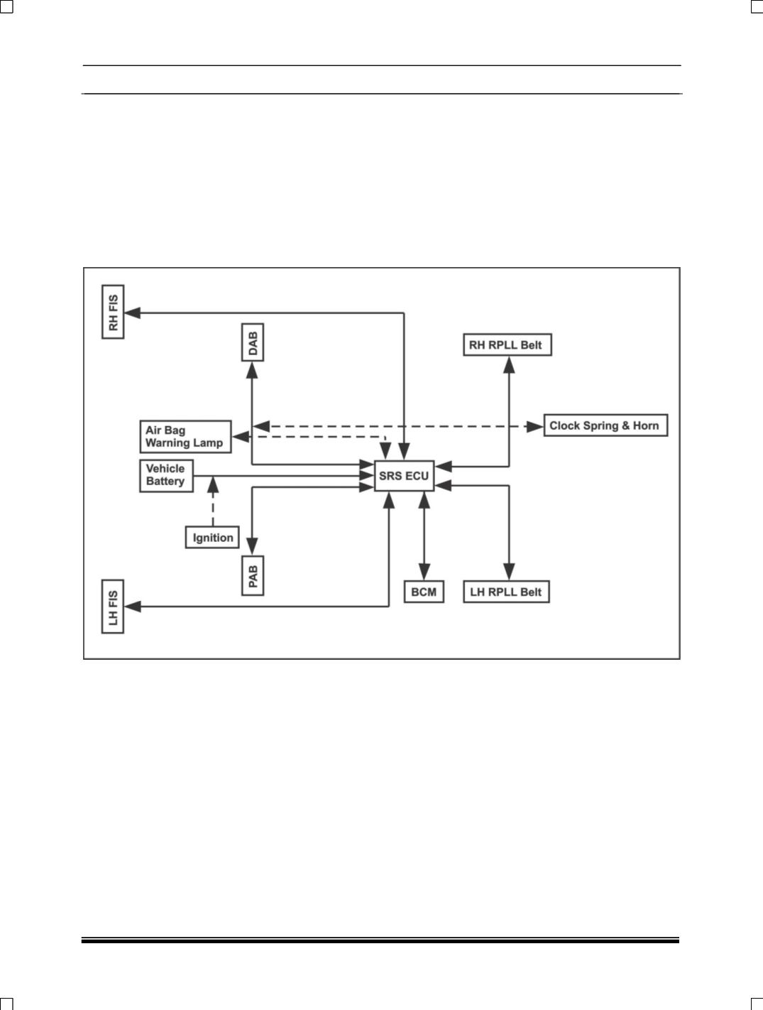
11.1.3. SYSTEM LAYOUT
11.1.3.1. RESTRAINT WITHOUT AIRBAG
This system consists of seat belt which is operated manually i.e. occupants has to buckle the belt before
driving. It consists of a micro switch which indicates if the seat belt is properly buckled or not.
11.1.3.2. RESTRAINT WITH AIRBAG
TIAGO is equipped with 4 loops of Air bag systems.
The layouts of these loop are given below:
4 LOOPS SYSTEM
A. DRIVER AIRBAG MODULE
(DAB)
Fitted on the steering wheel with a horn pad having
tear seams.
B. PASSENGER AIRBAG MODULE
(PAB)
Integrated type, rigidly attached to cross member
with dashboard visible surface having tear seams
in the area covered by the PAB module.
C. SRS CONTROL UNIT
Fitted on the floor tunnel along the centre line of
the vehicle under the center console.
D. AIRBAG WARNING LAMP
Fitted inside instrument cluster.
E. RETRACTOR PRETENSIONER AND LOAD
LIMITER CONFIGURATION BELTS
(RPLL)
Fitted inside B pillar - RH side & LH side.
F. FRONT IMPACT SENSOR
(FIS)(RH & LH)
These sensors are mounted on vertical members
of front end module on the both side i.e. RH & LH.




