ZEST AND BOLT - page 1238-1239

27
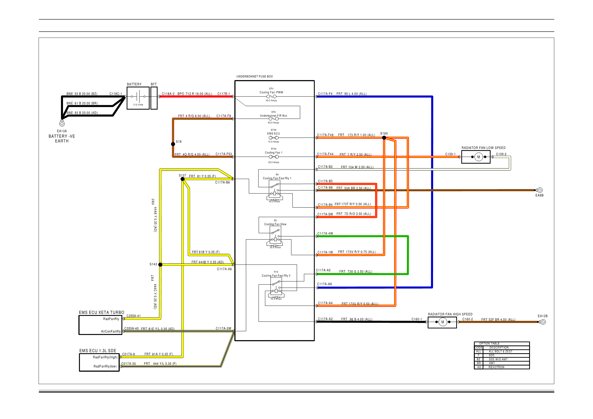
Electrical
RADIATOR FAN
BOLT / ZEST
1...,1218-1219,1220-1221,1222-1223,1224-1225,1226-1227,1228-1229,1230-1231,1232-1233,1234-1235,1236-1237 1240-1241,1242-1243,1244-1245,1246-1247,1248-1249,1250-1251,1252-1253,1254-1255,1256-1257,1258-1259,...
Powered by FlippingBook