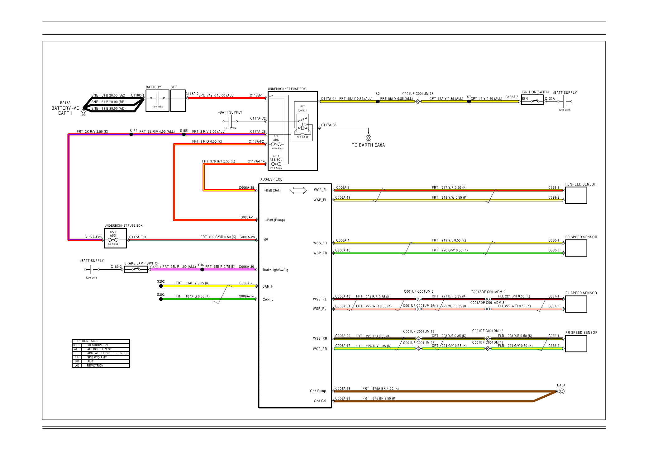
ZEST AND BOLT - page 1248-1249

Electrical
32
ABS 9.1
BOLT / ZEST
1...,1228-1229,1230-1231,1232-1233,1234-1235,1236-1237,1238-1239,1240-1241,1242-1243,1244-1245,1246-1247 1250-1251,1252-1253,1254-1255,1256-1257,1258-1259,1260-1261,1262-1263,1264-1265,1266-1267,1268-1269,...
Powered by FlippingBook