ZEST AND BOLT - page 1268-1269

Electrical
42
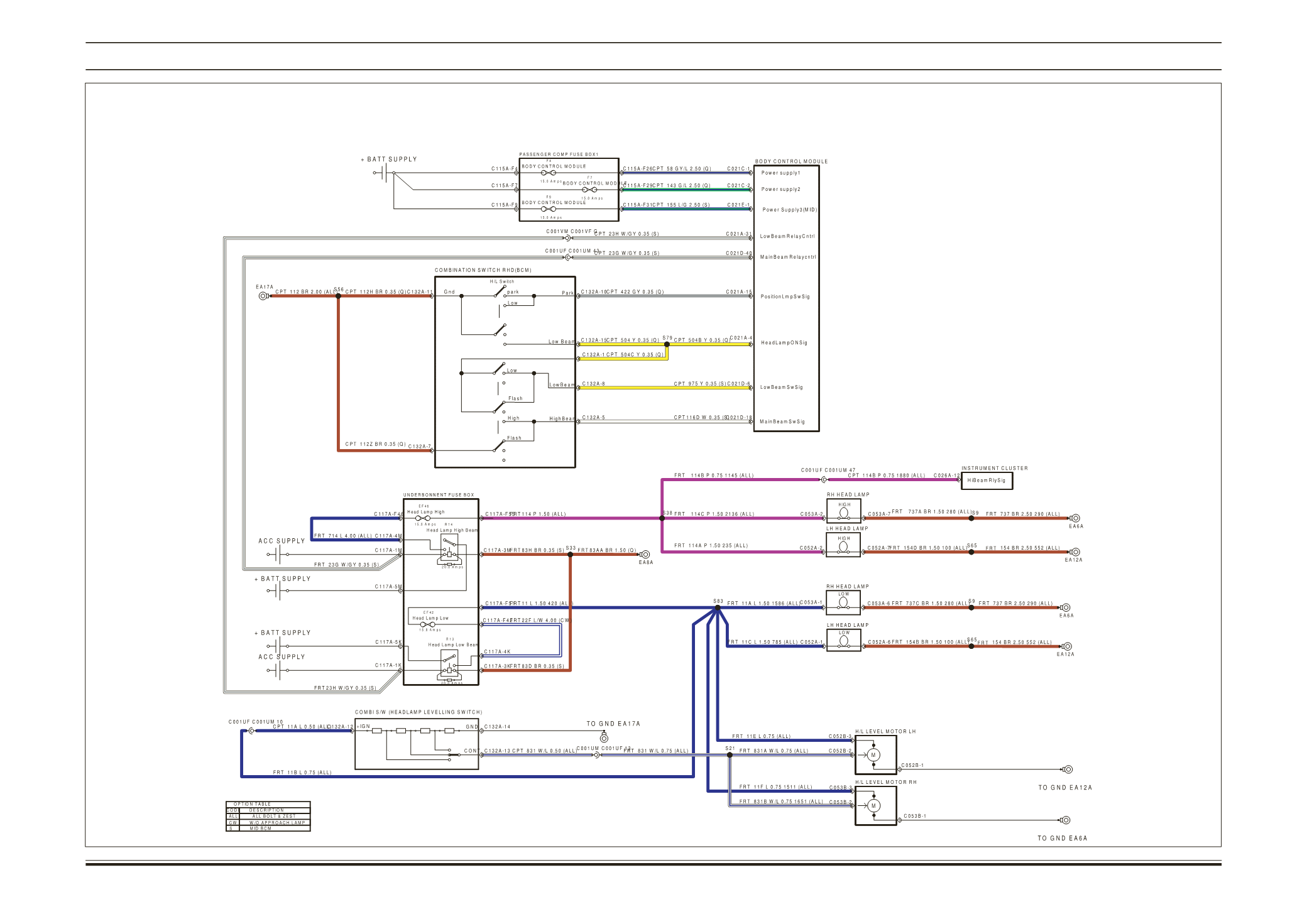
HEAD LAMP (MID BCM)
BOLT / ZEST
1...,1248-1249,1250-1251,1252-1253,1254-1255,1256-1257,1258-1259,1260-1261,1262-1263,1264-1265,1266-1267 1270-1271,1272-1273,1274-1275,1276-1277,1278-1279,1280-1281,1282-1283,1284-1285,1286-1287,1288-1289,...
Powered by FlippingBook