ZEST AND BOLT - page 1280-1281

Electrical
48
BOLT / ZEST
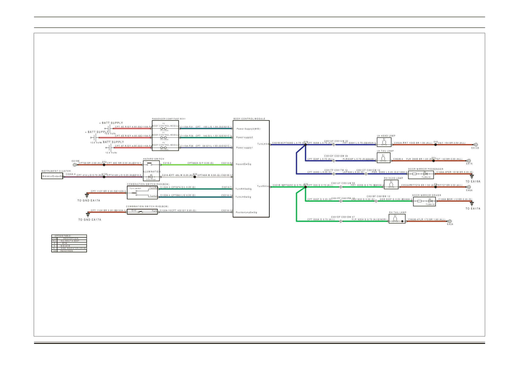
SIDE INDICATOR (ZEST)
1...,1260-1261,1262-1263,1264-1265,1266-1267,1268-1269,1270-1271,1272-1273,1274-1275,1276-1277,1278-1279 1282-1283,1284-1285,1286-1287,1288-1289,1290-1291,1292-1293,1294-1295,1296-1297,1298-1299,1300-1301,...
Powered by FlippingBook