ZEST AND BOLT - page 1274-1275

45
Electrical
BOLT / ZEST
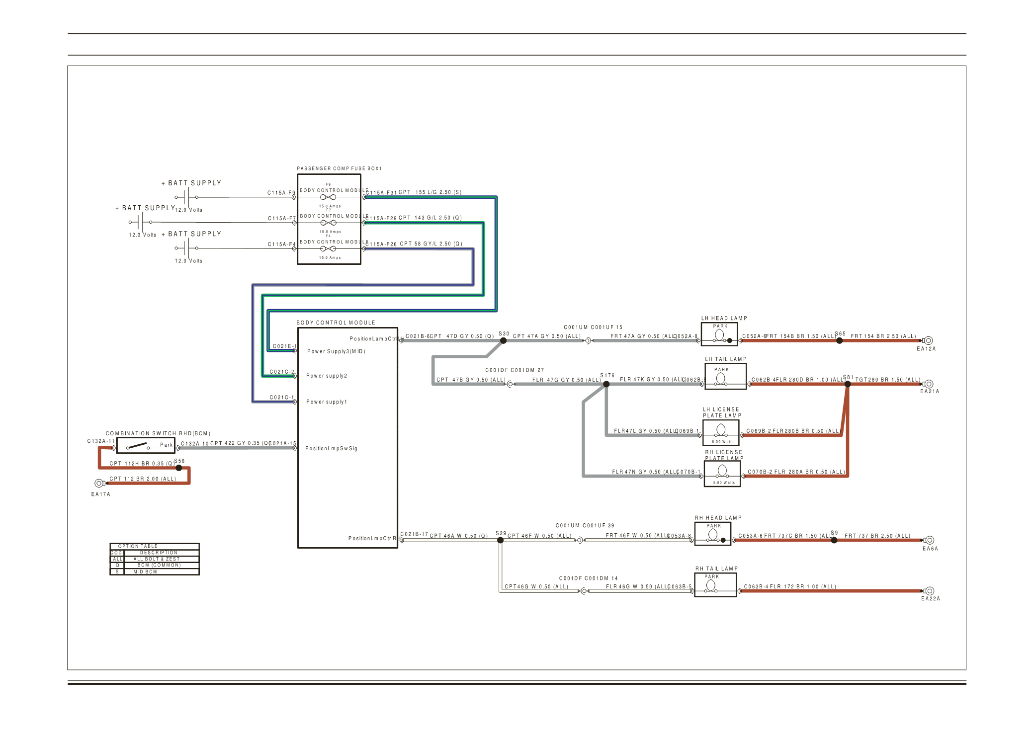
POSITION LAMP (ZEST)
1...,1254-1255,1256-1257,1258-1259,1260-1261,1262-1263,1264-1265,1266-1267,1268-1269,1270-1271,1272-1273 1276-1277,1278-1279,1280-1281,1282-1283,1284-1285,1286-1287,1288-1289,1290-1291,1292-1293,1294-1295,...
Powered by FlippingBook