ZEST AND BOLT - page 1264-1265

Electrical
40
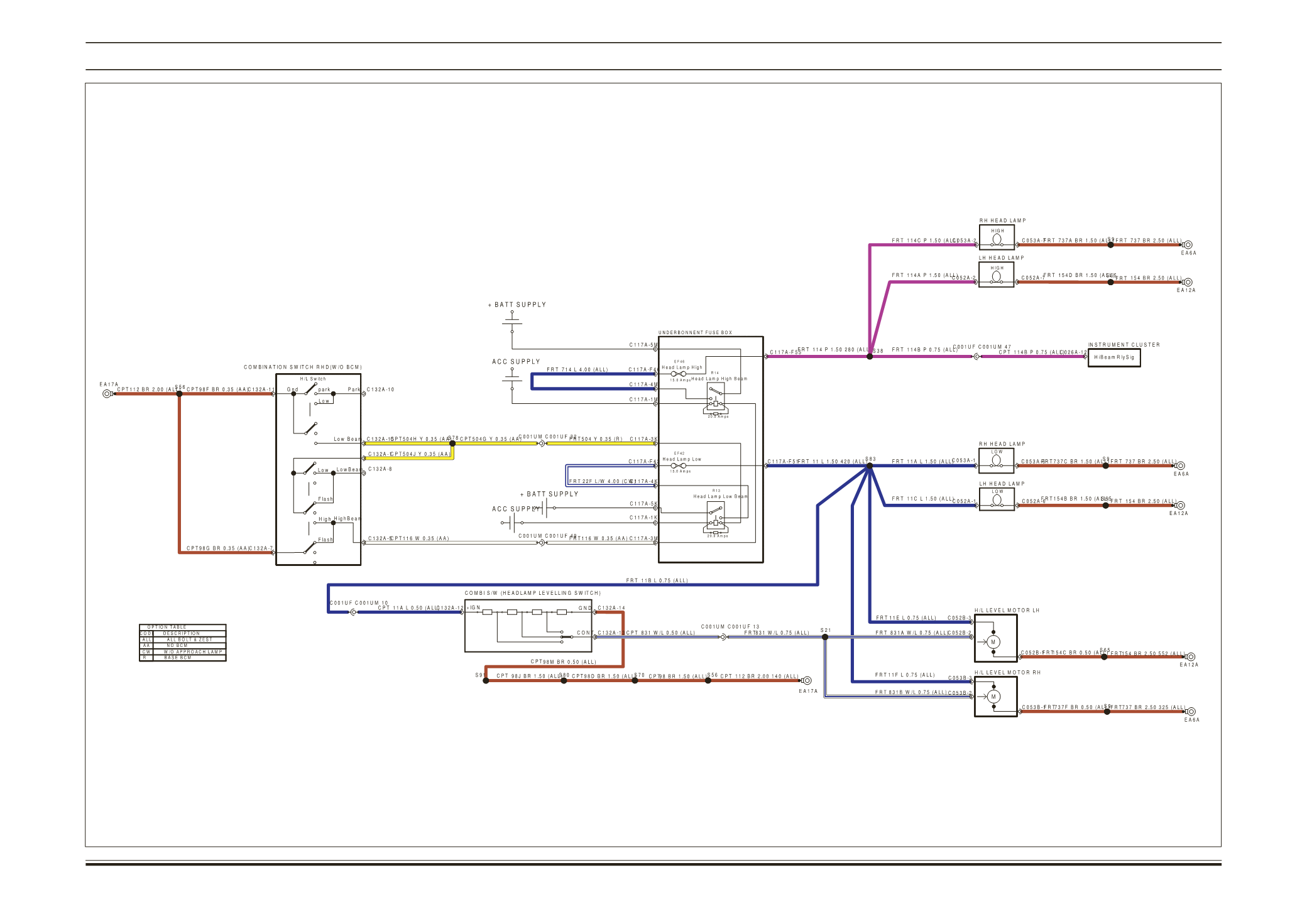
HEAD LAMP (WITHOUT BCM)
BOLT / ZEST
1...,1244-1245,1246-1247,1248-1249,1250-1251,1252-1253,1254-1255,1256-1257,1258-1259,1260-1261,1262-1263 1266-1267,1268-1269,1270-1271,1272-1273,1274-1275,1276-1277,1278-1279,1280-1281,1282-1283,1284-1285,...
Powered by FlippingBook