ZEST AND BOLT - page 1258-1259

37
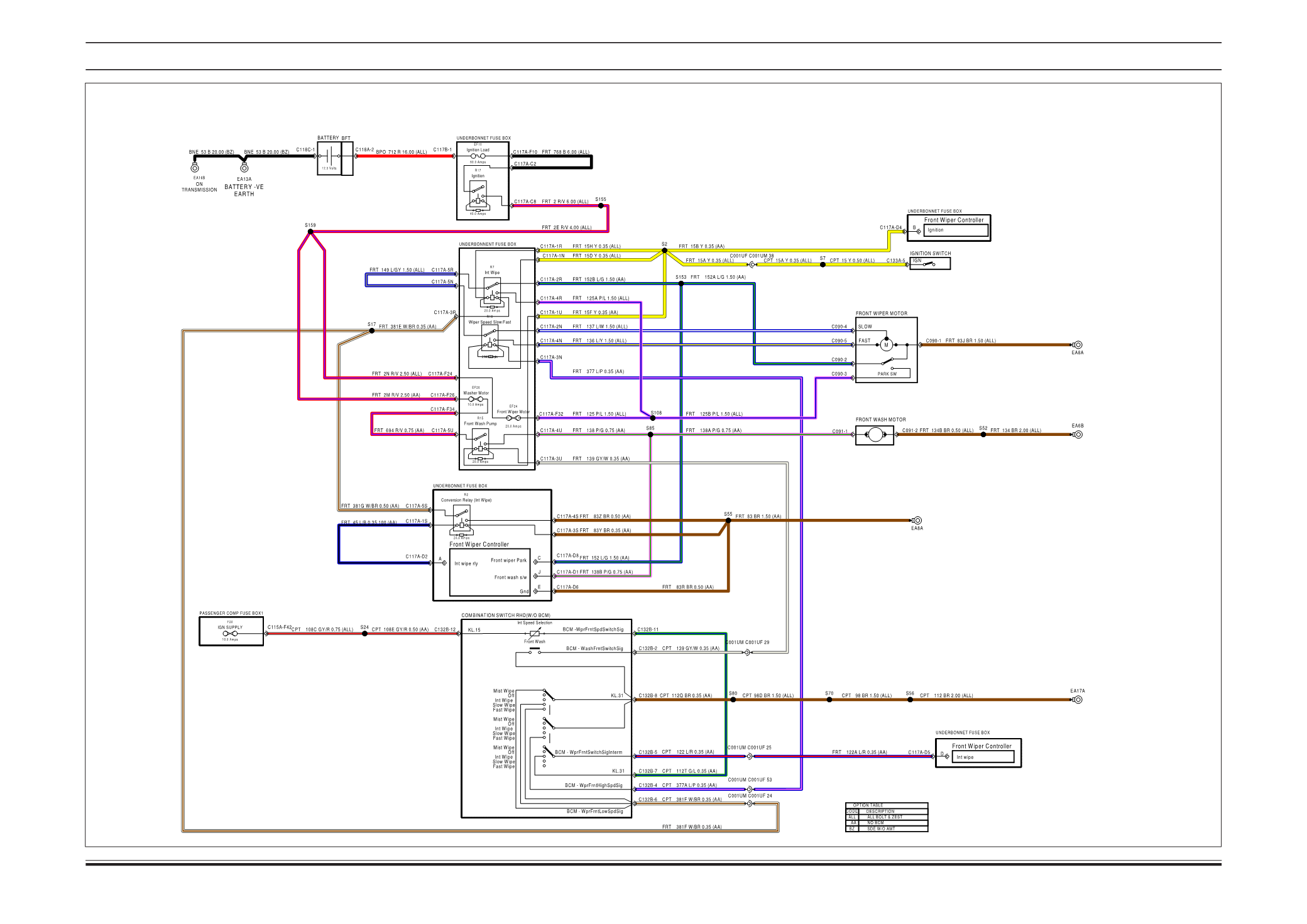
Electrical
FRONT WIPER WIPER (WITHOUT BCM)
BOLT / ZEST
1...,1238-1239,1240-1241,1242-1243,1244-1245,1246-1247,1248-1249,1250-1251,1252-1253,1254-1255,1256-1257 1260-1261,1262-1263,1264-1265,1266-1267,1268-1269,1270-1271,1272-1273,1274-1275,1276-1277,1278-1279,...
Powered by FlippingBook