1.05L REVOTORQ ENGINE
67
3.6 ENGINE SYSTEMS :
A. AIR INTAKE SYSTEM :
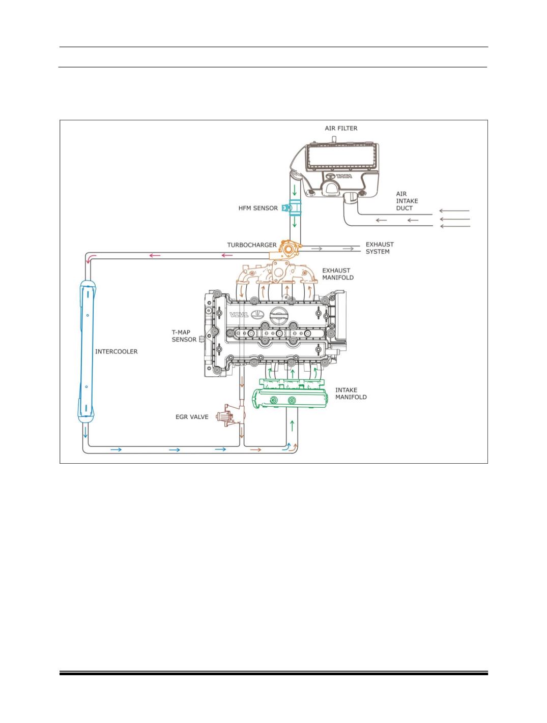
Air Intake System Schematic Layout :
Description :
Air is drawn into the combustion chamber
through the air intake system as shown in above
schematic layout.
The air is driven to the intake manifold pri-
marily due to the suction created by the engine. The
fresh air from the outside atmosphere is made to
pass through air intake duct and air filter and into
the turbocharger. Here the air is compressed by the
turbocharger which is driven by exhaust gas. The
compressed air then passes through the intercooler
where it made to dissipate the heat it has gained by
compression. From intercooler it is drawn into the
intake manifold and into the engine.
The Air intake System consists of the fol-
lowing components.
1. Air Filter.
2. Intake Manifold
3. Intercooler.




