1.05L REVOTORQ ENGINE
69
B. EXHAUST SYSTEM :
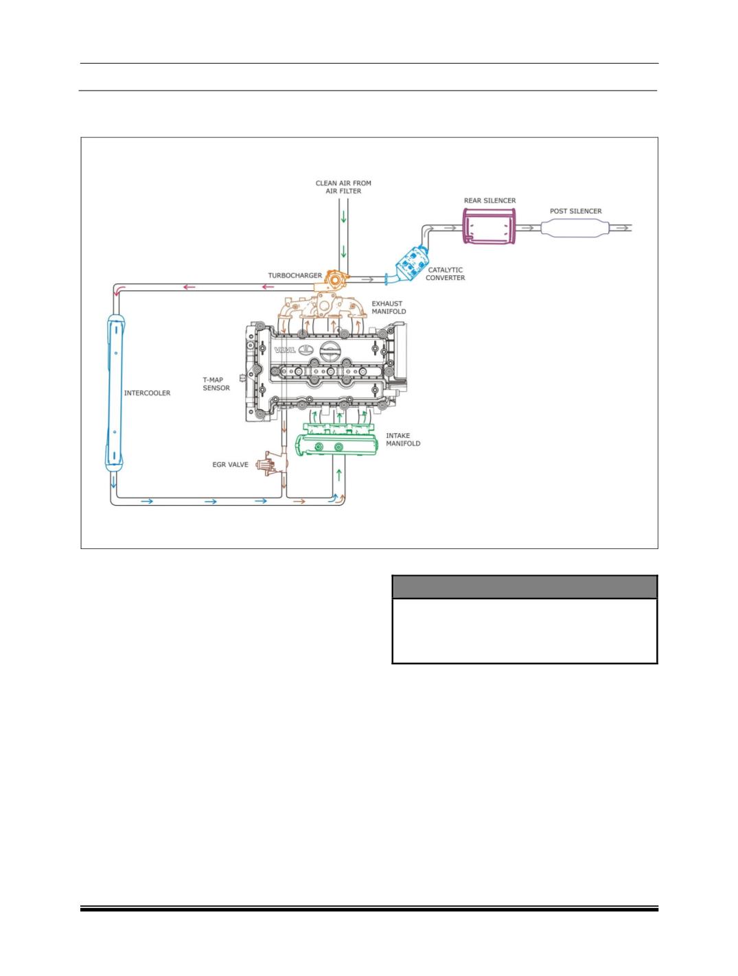
Exhaust System Schematic Layout :
Description :
The exhaust system consists of an exhaust
manifold, Turbocharger, Catalytic Converter, Si-
lencer. The exhaust pipes are supported using
rubber hangers. Flange joints are provided at each
component to accommodate removal of each com-
ponent individually.
The catalytic converter is a post-treatment
device for oxidizing the CO, HC and particles
transforming them into carbon dioxide (CO
2
) and
water vapour (H
2
0).whereas the silencer is pro-
vided to dampen the sound of the exhaust gases
coming out of the engine.
The Exhaust system consist of the following com-
ponents
1. Exhaust manifold.
2. Turbocharger.
3. Catalytic Converter
4. Silencer.
Precautions :
WARNING
To avoid thermal injury, do not touch exhaust
system when the system is hot. Any service
on the exhaust system should be performed
when the system is cool.
At every interval of periodic maintenance
service and when vehicle is raised for other service,
check exhaust system as follows :
Check rubber mountings for damage, deterio-
ration or out of position.
Keep sufficient clearance between exhaust
system components and underbody.
Check exhaust system for leakage, loose con-
nection, dent and damage. If bolts or nuts are
loosened, tighten them to the specified torque.
Check nearby body areas for damage, missing
or mis-positioned part, open seam, hole, loose
connection or any other defect which could
permit exhaust fumes to seep into vehicle.




