ELECTRICAL
52
8.12 FUEL GAUGE AND FUEL LEVEL METER
A. FOR PETROL:
REMOVAL AND REFITMENT OF FUEL LEVEL
SENSOR
(Refer fuel system section)
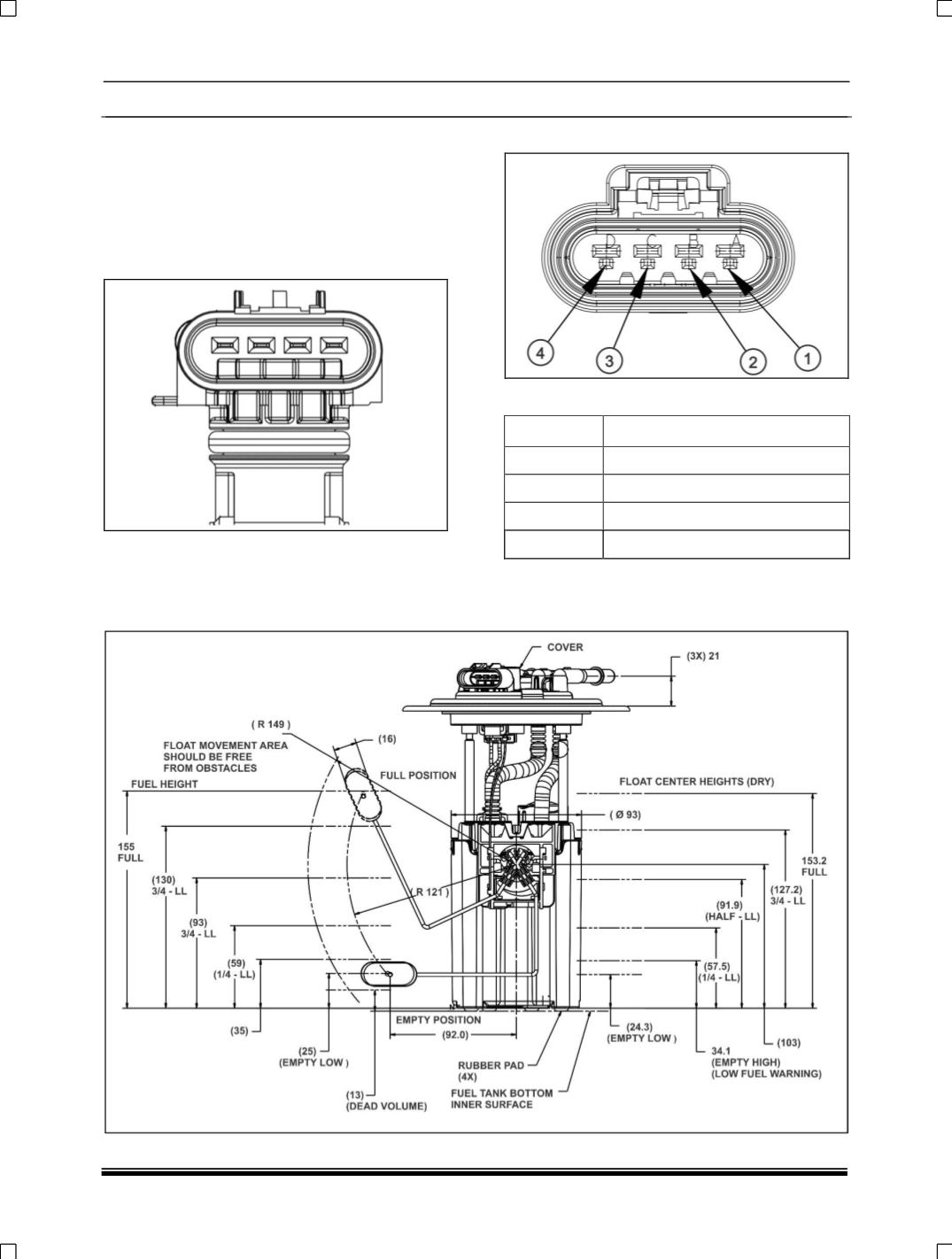
CONNECTOR DETAILS:
a) Sender electrical connector
b) Mating electrical connector
PINOUT DETAILS:
PIN
DETAIL
1
Fuel Pump (-)
2
Fuel Sensor (+)
3
Fuel Sensor Ground
4
Fuel Pump (+)
INSPECTION OF FUEL GAUGE
Use an ohmmeter to confirm that the resistance of the fuel level sensor changes with the level of float
position. The specified resistance values of the fuel gauge are given below.




