ELECTRICAL
51
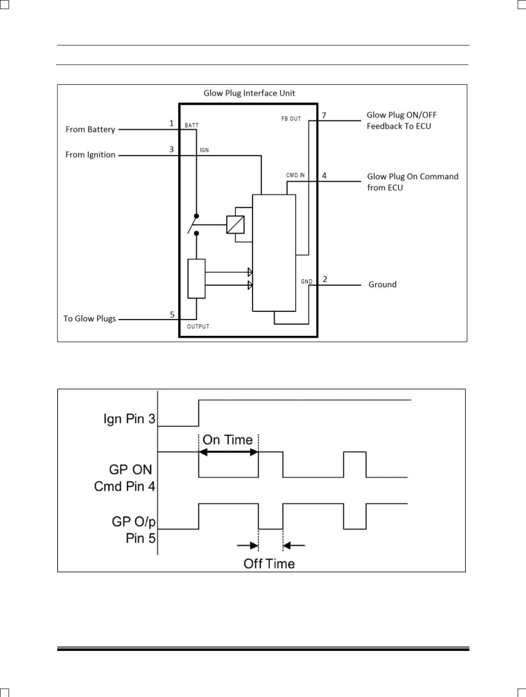
Circuit Diagram:
Normal operating Mode
The diagram show the proceeding of the signals in the function of time during the phase of pre or post
heating during normal functioning condition.
Application:
The device driven by ECU system with a diagnosis protocol EOBD (European On Board Diagnose) drives &
checks the operating state of each glow plug during pre & post heating phases of diesel engine made by 3
cylinders. The operating mode is controlled by wiring harness through command & feedback. A protection for
high current & overload voltage is integrated & it’s supplied by the control system.




