ZEST AND BOLT - page 1320-1321

Electrical
68
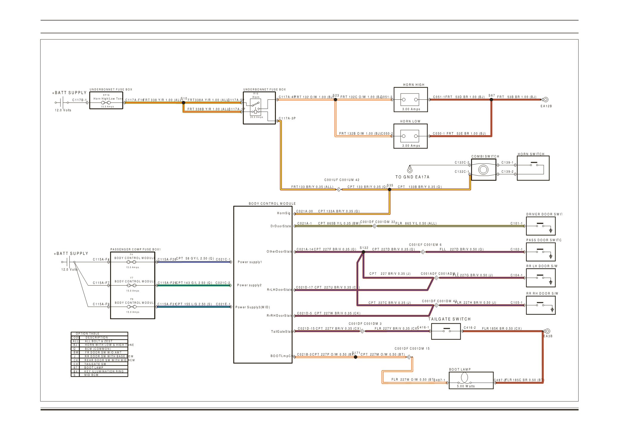
BOLT / ZEST
PERIMETRIC ALARM SYSTEM
1...,1300-1301,1302-1303,1304-1305,1306-1307,1308-1309,1310-1311,1312-1313,1314-1315,1316-1317,1318-1319 1322-1323,1324-1325,1326-1327,1328-1329,1330-1331,1332-1333,1334-1335,1336-1337,1338-1339,1340-1341,...
Powered by FlippingBook