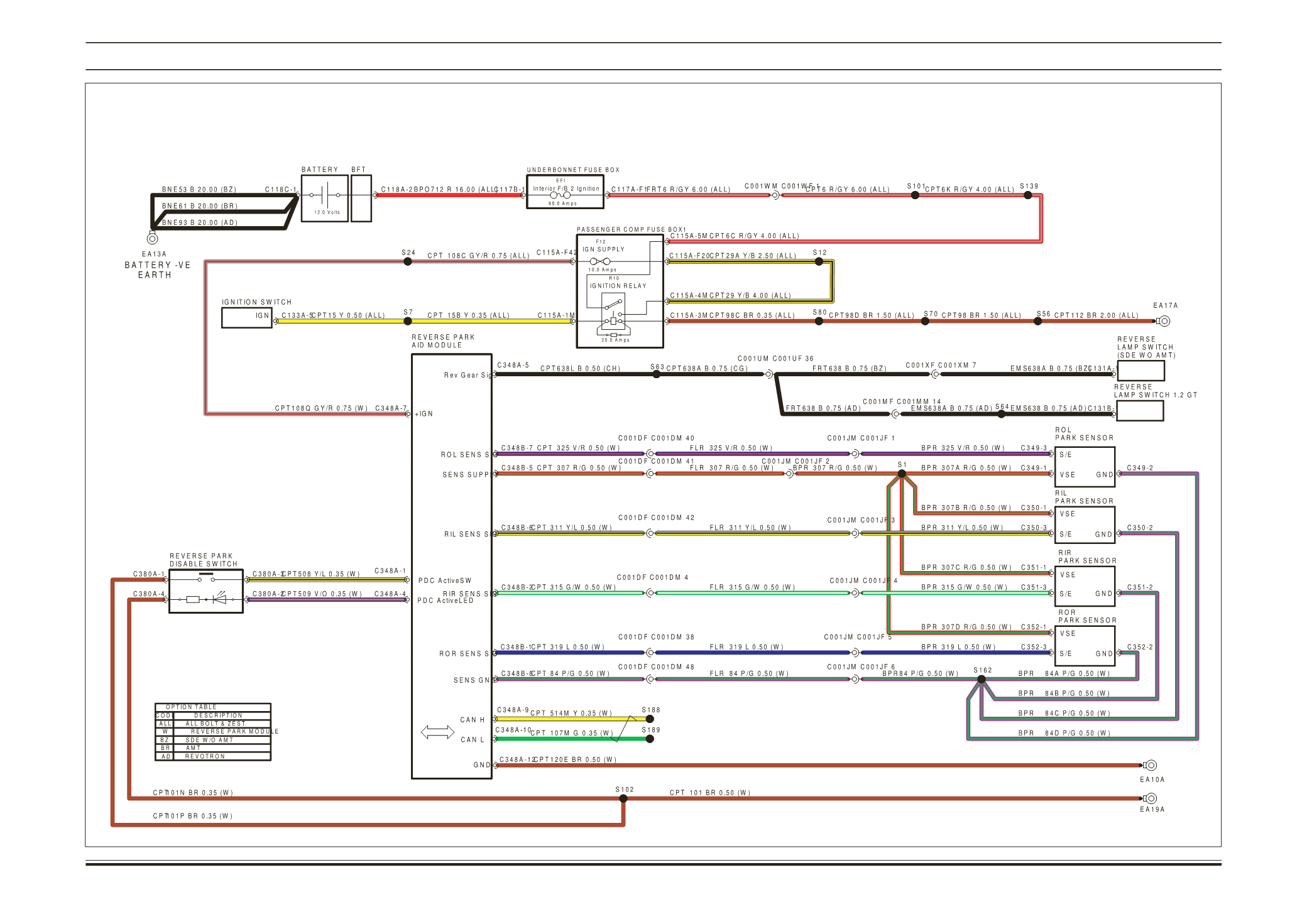
ZEST AND BOLT - page 1336-1337

Electrical
76
BOLT / ZEST
REVERSE PARKING AID
1...,1316-1317,1318-1319,1320-1321,1322-1323,1324-1325,1326-1327,1328-1329,1330-1331,1332-1333,1334-1335 1338-1339,1340-1341,1342-1343,1344-1345,1346-1347,1348-1349,1350-1351,1352-1353,1354-1355,1356-1357,...
Powered by FlippingBook