ZEST AND BOLT - page 1330-1331

73
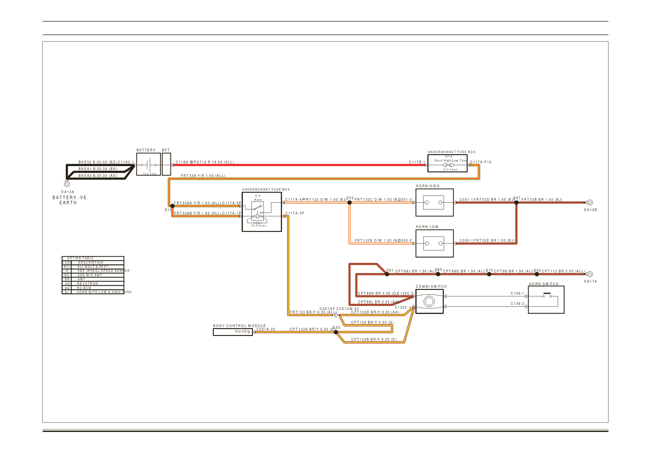
Electrical
BOLT / ZEST
HORN SYSTEM
1...,1310-1311,1312-1313,1314-1315,1316-1317,1318-1319,1320-1321,1322-1323,1324-1325,1326-1327,1328-1329 1332-1333,1334-1335,1336-1337,1338-1339,1340-1341,1342-1343,1344-1345,1346-1347,1348-1349,1350-1351,...
Powered by FlippingBook