ZEST AND BOLT - page 1326-1327

71
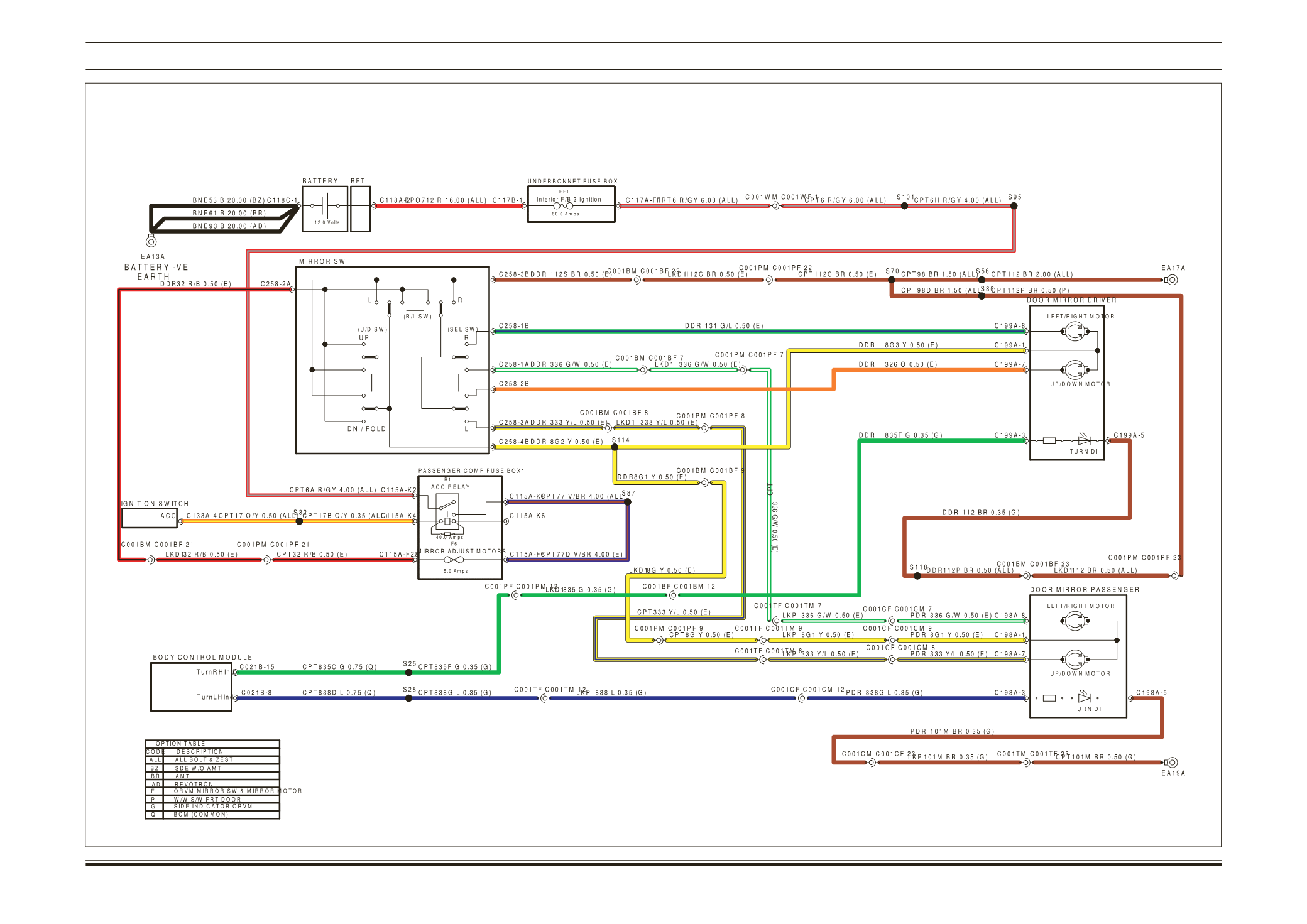
Electrical
BOLT / ZEST
POWER MIRROR ADJUST
1...,1306-1307,1308-1309,1310-1311,1312-1313,1314-1315,1316-1317,1318-1319,1320-1321,1322-1323,1324-1325 1328-1329,1330-1331,1332-1333,1334-1335,1336-1337,1338-1339,1340-1341,1342-1343,1344-1345,1346-1347,...
Powered by FlippingBook