ZEST AND BOLT - page 1342-1343

79
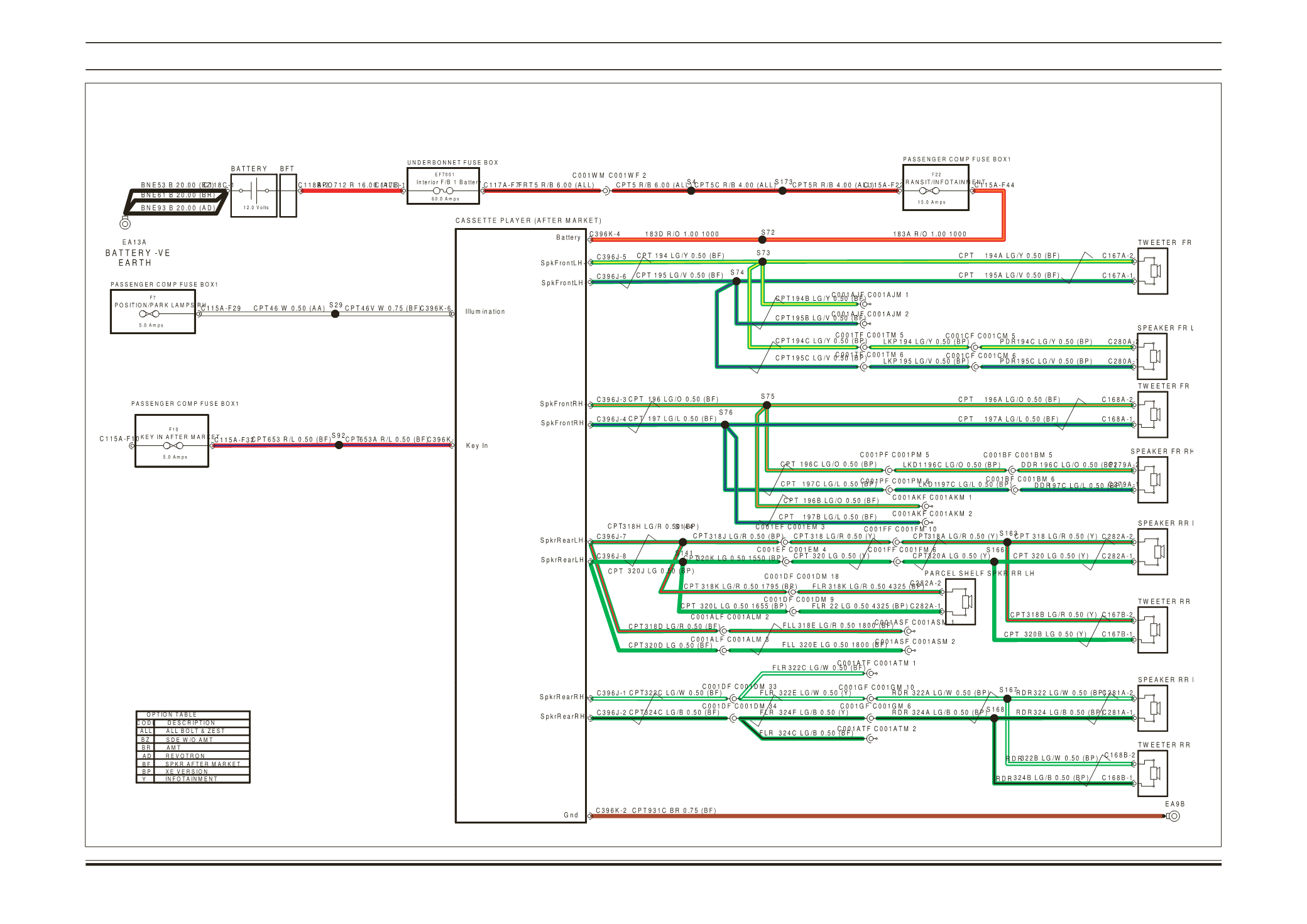
Electrical
BOLT / ZEST
MUSIC SYSTEM AFTER MARKET
1...,1322-1323,1324-1325,1326-1327,1328-1329,1330-1331,1332-1333,1334-1335,1336-1337,1338-1339,1340-1341 1344-1345,1346-1347,1348-1349,1350-1351,1352-1353,1354-1355,1356-1357,1358-1359,1360-1361,1362-1363,...
Powered by FlippingBook